


撥盤電位器WH120-1電位器性能
阻值:□1KΩ □2KΩ □5KΩ □10KΩ □20KΩ□50KΩ □100KΩ□200KΩ□500KΩ
阻值偏差:□±10% □±20%□±30%
阻值變化特性:□A□B□C □D□W□MN
最高使用電壓: 150 V~DC/ V
額定功率:B:0.1W,□Other :0.05W
Term. 1~2:Less than 20 Ω
殘留阻值:Term. 2~3:Less than 20 Ω
雜訊:Less than 100 mV
開關接觸阻抗值:Less than 50 MΩ
開關額定功率:1.0 A at DC 12 V
撥盤電位器WH120-1機械特性
旋轉角度:230°±10°
旋轉力矩:10 ~ 100
止擋強度:2.0 Kgf.cm Min.
軸柄推拉承受強度:1.0 Kg.f Max.at 10sec
開關回轉角度:35°±10°
開關作動力:100 ~ 350gf.cm
銲錫耐熱性:100℃
預熱:基板表面溫度100℃以下,1分鐘內。
焊錫溫度:260±5℃,5秒.
旋轉壽命:10,000 (Cycles Min)
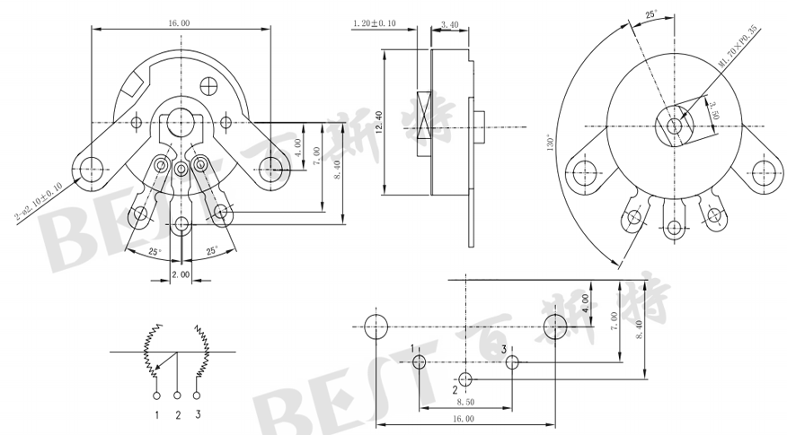
撥盤電位器WH120-1參考圖紙
單位:mm


Copyright © 廣東精密龍電子科技有限公司 版權所有 粵ICP備17035144號 粵公網安備44130202001184號
全國服務電話:0755-83205533 傳真:0755-83761155
公司地址:深圳市龍崗區龍崗大道8288號深圳大運軟件小鎮45棟2樓

