
輕觸開關有接觸電阻荷小、精確的操作力誤差、規格多樣化等方面的優勢,在電子設備及白色家電等方面得到廣泛的應用。常常應用于影音產品、數碼產品、通訊產品、玩具、電腦產品、健身器材、家用電器、安防產品、醫療器材、驗鈔筆等。輕觸開關是隨著電子技術發展的要求而開發的第四代開關產品,常用的規格有輕觸開關12×12、輕觸開關6×6、輕觸開關4×4等。輕觸開關12×12常用的型號有TS-1103CW、TS-1103、TS-1103K、TS-1103W、TS-1103C等。下面我來給大家詳細介紹這幾款輕觸開關12×12的產品吧!
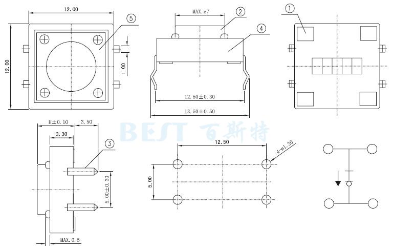
(1)輕觸開關TS-1103CW
輕觸開關TS-1103CW參考圖紙:
產品簡介:
輕觸開關TS-1103CW,是一款帶防水功能的輕觸開關,規格尺寸為12×12輕觸開關,其TS-1103CW輕觸開關的動作力度:160g/250g兩種;一般廣泛用于音響、電子儀器、數碼產品、家用電器等行業。
技術參數:
絕緣電阻:≥100MΩ
額定電流:dc12v 50MA
接觸電阻:≤100Ω
驅動力:260±50GF
輕觸開關壽命:60000次
行程:0.25mm±0.1mm
(2)輕觸開關TS-1103
輕觸開關TS-1103參考圖紙:
輕觸開關TS-1103產品簡介:
TS-1103是12×12輕觸開關,是方形輕觸開關,高度有4.3/5-22等不同高度,按鍵力度有160g/250g兩種。包裝方式是袋裝,1000PCS/袋,其中輕觸開關TS-1103不能過回流焊,一般都是手工焊接.
輕觸開關TS-1103技術參數:
使用范圍溫度:-20℃~70℃
保存溫度范圍:-30℃~80℃
額定值:DC 12V 50mA
接觸電阻:≤50mΩ
絕緣電阻:≥100 MΩ
(3)輕觸開關TS-1103K
輕觸開關TS-1103K參考圖紙:
產品簡介:
輕觸開關TS-1103K,是一款帶防水功能的輕觸開關,它的長寬尺寸為:11.5×11.5,高度有3.2mm,TS-1103K輕觸開關的動作力度:160g/250g兩種;TS-1103K防水輕觸開關適用于具有防水防塵要求的電子電器按鍵、電子化的各種音響設備、數碼產品、通訊設備、測量儀器等產品。
技術參數:
額定電流:dc12v 50MA
接觸電阻:≤100Ω
驅動力:260±50GF
輕觸開關壽命:60000次
絕緣電阻:≥100MΩ
行程:0.25mm±0.1mm
(4)輕觸開關TS-1103W
輕觸開關TS-1103W參考圖紙:
輕觸開關TS-1103W產品簡介:
輕觸開關TS-1103W為12×12mm貼片型輕觸開關,高度有4.3mm-12mm高。但是支持耐高溫的只有4.3mm和5mm兩個高度,顏色也只有白色頭。力度:160g/250gf;包裝方式:袋裝(1000pcs包)。輕觸開關TS-1103W常用于家用電器、儀器儀表、汽車電子、安防產品等行業。
輕觸開關TS-1103W技術參數:
使用范圍溫度:-20℃~80℃
額定值:DC 12V 50mA
絕緣電阻:≥100 MΩ
接觸電阻:≤30mΩ
(5)輕觸開關TS-1103C
輕觸開關TS-1103C參考圖紙:
輕觸開關TS-1103C產品簡介:
輕觸開關TS-1103C是一款仿歐姆龍開關的產品,它有四個定位柱和四個引腳,它的外觀長寬尺寸為12x12mm,也被稱呼為12x12輕觸開關,四腳輕觸開關12x12等。四個定位柱可以精確的定位開關在PCB板上的位置,防止開關移位,四個引腳可以使輕觸開關固定的更加牢固,開關的驅動力度有3個標準分別為:250克力,180克力,160克力,如需要其他的力度需要特別定制。此12x12輕觸開關只有一個高度為:7.3mm,顏色有黑色和黃色兩種。
輕觸開關TS-1103C技術參數:
使用范圍溫度:-20℃~70℃
額定值:DC 12V 50mA
保存溫度范圍:-30℃~80℃
接觸電阻:≤50mΩ
絕緣電阻:≥100 MΩ
機械性能:
驅動力:250±30gf或180±30gf或160±30gf
回復力:50gf min
行程:0.25±0.1mm
可焊性:超過75%的焊錫面積被錫料所覆蓋
機械壽命:50000次
以上就是關于輕觸開關12×12的常見幾款產品的相關介紹,大家如果有不明白的地方,歡迎致電咨詢。其次,建議大家給輕觸開關12×12端子進行焊接時,不要在端子上施加負荷,以免因條件不同會有松動,變形及電特性劣化的可能。輕觸開關12×12對于平軸桿型,盡量按下開關中心部。對于鉸鏈結構,按下時軸桿按動位置將移動,請特別注意。如果使用開關的整機的周圍材料產生腐蝕性氣體,將有可能造成接觸不良等現象,所以請事先進行充分的確認。

Copyright © 廣東精密龍電子科技有限公司 版權所有 粵ICP備17035144號 粵公網安備44130202001184號
全國服務電話:0755-83205533 傳真:0755-83761155
公司地址:深圳市龍崗區龍崗大道8288號深圳大運軟件小鎮45棟2樓

