
輕觸開關其又廣泛被稱為是一種感應開關,其主要開關內部結構的金屬彈片受力的感應,從而實現接通以及斷開的功能。目前一般對于在家用電器領域尤為普遍應用。例如常見的開關規格區分有4*4、6*6、12*12輕觸開關等,而這通常每種規格不同的開關,其針對于所應用的場景也是有所不同的。以12*12輕觸開關來說,大家一般對于此款12*12輕觸開關封裝規格的產品是否有所全面的了解呢?其產品的功能特性如何?那下面給大家詳細講下關于12*12輕觸開關封裝規格解析以及產品功能特點介紹。
常規12*12輕觸開關規格產品介紹:
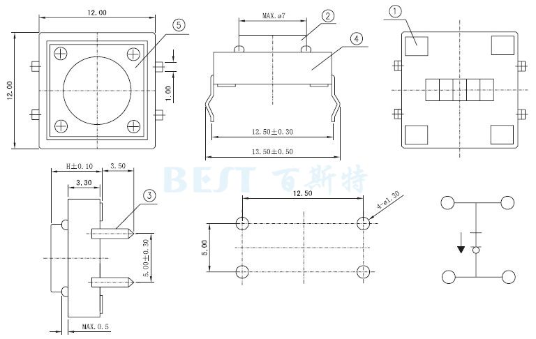
輕觸開關TS-1103

產品介紹:
輕觸開關TS-1103為一款12x12防水按鍵開關,或方形輕觸開關,其開關的規格尺寸為:12*12mm,端腳高度區分有4.34.3/5-22等多種高度規格,一般也可根據用戶的需求定做;常規的按鍵標準力度區分有160g/250g兩種;不過由于該開關材質不耐高溫,一般不支持過回流焊,只能手工焊接。
技術參數:
使用范圍溫度:-20℃~70℃
額定值:DC 12V 50mA
接觸電阻:≤50mΩ
保存溫度范圍:-30℃~80℃
回復力:50gf min
行程:0.25±0.1mm
絕緣電阻:≥100 MΩ
驅動力:250±30gf 160±30gf
機械壽命:50000次
輕觸開關TS-1103封裝規格圖紙

輕觸開關TS-1103C

產品介紹:
輕觸開關TS-1103C系列是一款仿歐姆龍開關的產品,它由四個定位柱和四個引腳組成,其開關規格尺寸為12*12mm,一般市面上又廣泛被稱為12x12防水輕觸開關。該開關常規的蓋帽顏色區分有黑色和黃色兩種;按鍵力度區分有250gf、180gf、160gf等3個標準力度,如需要其它的力度需要特別定制。目前輕觸開關TS-1103C一般應用于:電視機、遙控器、音響、通訊設備、電子玩具、數碼產品、家用電器等領域上。
技術參數:
回復力:50gf min
接觸電阻:≤50mΩ
行程:0.25±0.1mm
額定值:DC 12V 50mA
絕緣電阻:≥100 MΩ
使用范圍溫度:-20℃~70℃
保存溫度范圍:-30℃~80℃
驅動力:250±30gf、180±30gf、160±30gf
機械壽命:50000次
輕觸開關TS-1103C封裝規格圖紙

輕觸開關TS-1103W

產品介紹:
輕觸開關TS-1103W系列為一款12*12mm貼片型輕觸開關,高度有4.3mm-12mm高;但是支持耐高溫的只有4.3mm和5mm兩個高度,顏色也只有白色頭。力度:160g/250gf;包裝方式:袋裝(1000pcs包)。
技術參數:
使用范圍溫度:-20℃~80℃
額定值:DC 12V 50mA
接觸電阻:≤30mΩ
回復力:50gf min
絕緣電阻:≥100 MΩ
行程:0.25±0.1mm
驅動力:250±30gf、180±30gf、160±30gf
機械壽命:50000次
輕觸開關TS-1103W封裝規格圖紙

不過關于常規的12*12輕觸開關封裝規格上,其實則是有所存在尺寸的偏差,如12*12輕觸開關,實際有可能尺寸偏差為12.1*12.1mm、12.3*12.3mm等。所以對于在12*12輕觸開關封裝規格規格上的偏差,務必在開關的購買之前核實清楚,否則一些尺寸的偏差,都有可能會造成產品的不適用情況。不過由于開關的規格產品眾多,如4x4輕觸開關、6x6輕觸開關等產品,一時間也不是便于一一解說的,那如果大家有需想了解更多關于開關產品的價格訊息,建議可以在線咨詢下我們的精密龍電子工作人員。

Copyright © 廣東精密龍電子科技有限公司 版權所有 粵ICP備17035144號 粵公網安備44130202001184號
全國服務電話:0755-83205533 傳真:0755-83761155
公司地址:深圳市龍崗區龍崗大道8288號深圳大運軟件小鎮45棟2樓

